南通方圣石化设备有限公司主要开发生产S系列静态混合器、喷射器、减温器,VJG系列精细过滤器、SB系列泵用过滤器,以及消声器、视镜、阻火器、呼吸阀等九大类。
   静态混合器
   蒸汽加热设备系列
   动态混合设备
   过滤设备
   纸浆专用设备
   SKL型浆氯静态混合器
   浆氯分配器
   LH型氯水分散混合器
   LQ-1468型液氯汽化器
   LYZ型氯气逆止罐
   LP型氯化喷射器
   胺液回收器
   KAGZ型高效组合在线胺液过滤装置
   新型高效石化净化/聚结分离装置
   预过滤器
   硫封器
   填料式管道自动补偿器
   高效有机蒸汽吸附装置
   KDPB型低压脉冲喷吹袋式除尘器
   KDPB390系列低压脉冲长袋除尘器
   KDPB390系列低压脉冲长袋除尘器
   KDPB970系列低压脉冲长袋除尘器
   管用专用小型设备
   油罐附件系列
   煤气管道排水器
 

 南通方圣石化设备有限公司
 地址:启东市汇龙镇台角工业园区
 邮编:226200
 电话:0513-83639880
 传真:0513-83639099
 在线咨询:
 微信:15851380122
 微信:15365547782
 http://www.ntfssh.com
 E-mail:fs@ntfssh.com

产品介绍 首页 >> 产品介绍
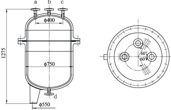
LYZ型氯气逆止罐
一、产品概述
  LYZ型氯气逆止罐是用于造纸工业多段漂白工艺中防止浆料倒流用的专用设备。本设备为钢制内衬耐酸橡胶的立式受压容器,由罐体、罐盖组成并有螺栓连接而成。
二、技术特性
三、产品外形示意图
管 口 表
 
南通方圣石化设备有限公司 地址:启东市汇龙镇台角工业园区 邮编:226200 混合器|汽水混合器
电话:0513-83639880 传真:0513-83639099