南通方圣石化设备有限公司主要开发生产S系列静态混合器、喷射器、减温器,VJG系列精细过滤器、SB系列泵用过滤器,以及消声器、视镜、阻火器、呼吸阀等九大类。
   静态混合器
   蒸汽加热设备系列
   动态混合设备
   过滤设备
   一、管道过滤器
     1、SBY过滤器
     2、SBT过滤器
     3、SBL过滤器
     4、SBV过滤器
     5、SBW过滤器
   二、自洁式过滤器
     1、ZJD自洁式过滤器
     2、ZJD刷式自洁式过滤器
     3、ZJD吸吮扫描式过滤器
     4、ZJDL反冲洗自洁式过滤器
     5、ZJDP导流自洁式过滤器
     6、ZJD自洁式过滤器电控装置
     7、使用指南
   三、手动清洗过滤器
   四、精细过滤器
     1、ZJF过滤器
     2、常见滤芯式精细过滤器
     3、袋式精细过滤器
   五、空气过滤器
     1、FSGI型送风空气过滤器
     2、FSGII型吹风空气过滤器
   活性碳过滤器
   七、盘式过滤器
   八、FSD消气过滤器
   九、滤件系列
     1、VJGM型金属滤芯
     2、VJGM型非金属滤芯
     3、滤袋系列
   纸浆专用设备
   管用专用小型设备
   油罐附件系列
   煤气管道排水器
 

南通方圣石化设备有限公司
地址:启东市汇龙镇台角工业园区
邮编:226200
电话:0513-83639880
传真:0513-83639099
在线咨询:
微信:15851380122
微信:15365547782
http://www.ntfssh.com
E-mail:fs@ntfssh.com

产品介绍 首页 >> 产品介绍
气体过滤器
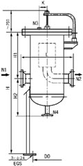
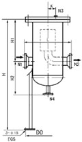
(1)VKQG-Ⅰ型气体过滤器
VKQG-Ⅰ型
(2)VKQG-Ⅱ型气体过滤器
产品概述
  V K Q G-Ⅱ型气体过滤器是一种新型、高效气体除尘设备,广泛用于石油、天然气工业部门一般含尘量的气体主管线和旁通管。亦是城市天然气、煤制气输配系统安全、可靠运行不可缺少的气体净化设备。具有结构先进、除尘效率高、操作维护方便等优点。
一、标记示例
二、技术参数
  公称直径:DN40-DN300
  工作压力:1.0-5.4MPa
  工作温度:≤80℃
  处理量:≤12000m3/h (工作状态下)
三、选用要点
  选用本系列产品必须注明介质,操作压力及温度。
  VKQG-Ⅱ型气体过滤器主要用于干气过滤,如介质含水较高时,应在设备前安装我公司生产的预分离器,以保证过滤器效果。
DN40~100
DN125~300
四、产品规格
 
南通方圣石化设备有限公司 地址:启东市汇龙镇台角工业园区 邮编:226200 混合器|汽水混合器
电话:0513-83639880 传真:0513-83639099