ZJS系列在线式手动清洗过滤器 |
| 一、产品简介 |
ZJS系列在线式手动清洗过滤器适用于各种供水系统、工艺管路及工业循环水系统,特别是24小时连续运行的不停机系统,确保系统的安全可靠运行,是一种简洁高效的过滤器,广泛应用于石油、化工、冶金、环保、采矿、制药、食品、造纸等领域。
本系列过滤器清洗模式两种:刷式和导流式。 |
| 二、型号标注 |
|
| 三、工作原理与结构特点 |
ZJS系列刷式手动清洗过滤器是一种过滤与清洗同步实现的过滤装置,由碳钢或不锈钢筒体、不锈钢刷、不锈钢楔形滤网、压力表及排污阀等组成。流体经过滤器后,杂质被拦截在滤筒内壁,当进出口压力表产生一定压差时,无需停机拆卸过滤器,只要打开排污阀轻轻转动手柄,使刷子在滤筒内壁作圆周运动,把杂质从滤筒光滑的内壁上刷下,随水力方向排出,即可完成清洗过程。
ZJS系列导流式手动清洗过滤器工作原理参见ZJDP型自洁式过滤器部分。 |
| 四、主要技术参数 |
| 1、公称通径:DN50-600 |
4、工作压力:0.15-4.0MPa |
| 2、最高工作温度: <200℃ |
5、过滤精度: ≥80μm |
| 3、压力损失:0.025-0.05MPa |
6、清洗耗水量:约为主管道流量的1% |
|
| 五、结构形式及外形尺寸 |
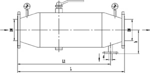
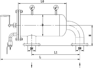
ZJSY型刷式在线式手动清洗过滤器 |
|
|
| 本表参数适用于: 工作压力≤1.0MPa,过滤精度≥0.08mm,其它工作压力、过滤精度及规格尺寸可按用户要求设计。 |
|
|
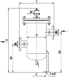
ZJSL型刷式在线式手动清洗过滤器 |
|
1、本表参数适用于:工作压力≤1.0MPa,过滤精度≥100μm,其它工作压力、过滤精度及规格尺寸可按用户要求设计。
2、本过滤器可以根据用户工艺要求设计成进出口位于同一高度。
3、注:筒体直径≥500mm时, 过滤器封头采用椭圆形封头形式。 |
|
|
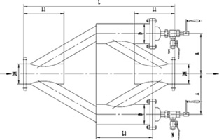
(DN≤125)ZJSL型在线式手动清洗过滤器 |
(DN≥150)ZJSL型在线式手动清洗过滤器 |
|
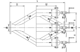
ZJSF型刷式在线式手动清洗过滤器 |
|
ZJSF型刷式在线式手动清洗过滤器 |
|
1.本表参数适用于:工作压力≤1.6MPa, 过滤精度≥100μm,其它工作压力、过滤精度及规格尺寸可按用户要求设计。
2.注:筒体直径≥500mm时, 过滤器封头采用椭圆形封头形式。 |
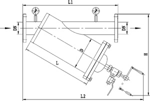
| ZJSP Ⅰ型过滤器 |
|
| 注:筒体直径≥500mm时, 过滤器封头采用椭圆形封头形式。 |
|
| ZJSP型导流式在线式手动清洗过滤器 |
 |
ZJSP Ⅰ型过滤器 |
|
|
| ZJSP Ⅱ型过滤器 |
 |
 |
ZJSP Ⅱ型过滤器 |
|
|
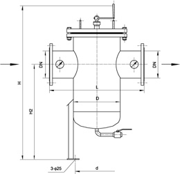
| ZJSC型复合式在线式手动清洗过滤器 |
|
ZJSCⅡ型复合式在线式手动清洗过滤器 |
| 1、ZJSCⅡ型复合式在线式手动清洗过滤器 |
|
| 2、ZJSCⅢ型在线式手动清洗过滤器 |
|
ZJSCⅢ型在线式手动清洗过滤器 |
|
| 六、注意事项 |
| ZJS型在线式手动清洗过滤器可水平或垂直安装,安装时应注意外壳上箭头方向必须与水流方向一致。 |
| 七、订货须知 |
1、本公司生产的Z J S系列过滤器,公称压力等级为0.6、1.0、1.6、2.5、4.0、6.3M P a,采用化工部HG20592标准,用户如采用GB、JB、ANSI、JIS等法兰标准,请在合同中注明。
2、过滤器型号所注材质:C-20号碳钢,S-1C r18N i9T i/0C r18N i9,R-316L;如需特殊材料,请在合同中注明。
3、选购过滤器时,敬请用户正确书写型号、规格及操作模式,提供如下工况资料:
a 最高工作压力
b 最高工作温度
c 过滤精度
d 介质名称、浓度、粘度
e 杂质含量比率、杂质粒径
4、非标产品,可按用户提供的图纸及技术条件进行设计和制造。 |