南通方圣石化设备有限公司主要开发生产S系列静态混合器、喷射器、减温器,VJG系列精细过滤器、SB系列泵用过滤器,以及消声器、视镜、阻火器、呼吸阀等九大类。
   静态混合器
   蒸汽加热设备系列
   动态混合设备
   过滤设备
   一、管道过滤器
     1、SBY过滤器
     2、SBT过滤器
     3、SBL过滤器
     4、SBV过滤器
     5、SBW过滤器
   二、自洁式过滤器
     1、ZJD自洁式过滤器
     2、ZJD刷式自洁式过滤器
     3、ZJD吸吮扫描式过滤器
     4、ZJDL反冲洗自洁式过滤器
     5、ZJDP导流自洁式过滤器
     6、ZJD自洁式过滤器电控装置
     7、使用指南
   三、手动清洗过滤器
   四、精细过滤器
     1、ZJF过滤器
     2、常见滤芯式精细过滤器
     3、袋式精细过滤器
   五、空气过滤器
     1、FSGI型送风空气过滤器
     2、FSGII型吹风空气过滤器
   活性碳过滤器
   七、盘式过滤器
   八、FSD消气过滤器
   九、滤件系列
     1、VJGM型金属滤芯
     2、VJGM型非金属滤芯
     3、滤袋系列
   纸浆专用设备
   管用专用小型设备
   油罐附件系列
   煤气管道排水器
 

南通方圣石化设备有限公司
地址:启东市汇龙镇台角工业园区
邮编:226200
电话:0513-83639880
传真:0513-83639099
在线咨询:
微信:15851380122
微信:15365547782
http://www.ntfssh.com
E-mail:fs@ntfssh.com

产品介绍 首页 >> 产品介绍
ZJDPⅣ型导流式自洁式过滤器
一、功能与用途
  ZJDPⅣ型导流式自洁式过滤器适用于各种供水系统、工艺水系统及工业冷却水系统,特别是24小时连续运行的不停机系统,用以滤去水中的各种杂质,确保系统设备的安全可靠运行。
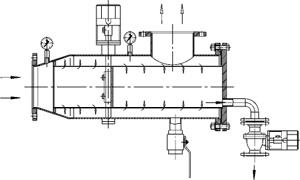
正常工作状态
清洗滤芯状态
工作原理图
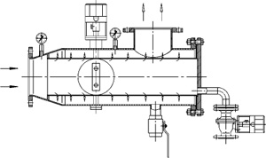
二、设备结构与工作原理
  本过滤器主要由优质碳钢或不锈钢筒体、滤网、水流导向阀、差压控制器、电动控制箱及排污装置等所组成。当过滤器工作时,水流导向阀处于开启状态,水流由入口进入过滤器,经滤网过滤后流入出口。本机采用压差控制、定时控制自动清洗滤网。当过滤器进出口压差达设定值或定时器达到预置时间时,电动控制箱发出信号,排污阀打开(水流导向阀处于开启状态),水流冲洗粘在滤网壁上的杂质,杂质由排污口排出。稍后水流导向阀开始关闭(排污阀处于开启状态),水流在导向阀关闭过程中流速不断加大,粘附在滤网内壁上的杂质被进一步冲洗排出,当水流导向阀处于全关状态下,水流被迫从过滤器进口段网孔进入滤网外侧,大部分净液从出口流出,一部分净液又从滤网外侧进入滤网内部(因为系统处于泄压状态,滤网内部压力小于外侧压力),从而对滤网进行反冲洗,特殊设计的滤网使得在滤网内部产生了喷射效果,任何杂质都被从光滑的内壁上冲走。当过滤器进出口压差恢复正常或定时器设定时间结束后,电动排污阀关闭,水流导向阀开启。整个过程中,物料不断流,实现了连续化、自动化生产。
三、主要技术参数
  1、公称通径:DN50-600 4、过滤精度≥50μm
  2、工作压力:≤1.6MPa 5、电机参数:380V 50HZ
  3、工作温度:<100℃ 6、清洗耗水量:主管道流量的1-2%
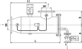
ZJDP Ⅳ1型过滤器
四、结构形式及外形尺寸
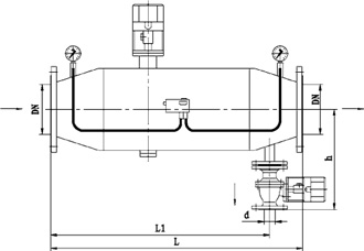
ZJDP Ⅳ2型过滤器外形尺寸 ZJDP Ⅳ1型过滤器外形尺寸
   注:筒体直径≥500mm时, 过滤器封头采用椭圆形封头形式。
ZJDPⅣ2型过滤器
 
南通方圣石化设备有限公司 地址:启东市汇龙镇台角工业园区 邮编:226200 混合器|汽水混合器
电话:0513-83639880 传真:0513-83639099