南通方圣石化设备有限公司主要开发生产S系列静态混合器、喷射器、减温器,VJG系列精细过滤器、SB系列泵用过滤器,以及消声器、视镜、阻火器、呼吸阀等九大类。
   静态混合器
   蒸汽加热设备系列
   动态混合设备
   WZ型无重力粒子混合机
   RL型螺条式混合机
   DL型螺旋锥形混合机
   LS型螺旋输送机
   XF型星形出料阀(旋转加料器)
   ME型高剪切混合乳化机
   JF型搅拌釜
   YJ型可移动式轻型搅拌机
   GH型侧向伸入式搅拌机
   过滤设备
   纸浆专用设备
   管用专用小型设备
   油罐附件系列
   煤气管道排水器
 

 南通方圣石化设备有限公司
 地址:启东市汇龙镇台角工业园区
 邮编:226200
 电话:0513-83639880
 传真:0513-83639099
 在线咨询:
 微信:15851380122
 微信:15365547782
 http://www.ntfssh.com
 E-mail:fs@ntfssh.com

产品介绍 首页 >> 产品介绍
XF型星形出料阀(旋转加料器)
一、应用领域
  适用于电力、化工、冶金、建筑、粮食等行业粉粒体的连续均匀配料、输送、卸料。
  例:煤粉、水泥、尘灰、谷物、化工原料等的输送。
二、性能特点
  ● 在电机的驱动下,经减速机带动主轴上的叶轮旋转,把物料从上部仓通过叶轮槽内旋转的叶轮带动至出料口均匀地喂送出去。
  ● 进出料口有圆形法兰和方形法兰两种形式。
  ● 整机采用直联或链传整体式,精致轻巧,驱动装置无需另设安装基础,减少占用空间,节省费用 。
  ● 根据被输送物料性质的特性可配防爆电机、调速电机等。
三、技术参数
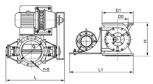
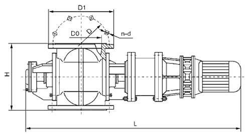
四、安装尺寸
 直连式
 链轮式
 
南通方圣石化设备有限公司 地址:启东市汇龙镇台角工业园区 邮编:226200 混合器|汽水混合器
电话:0513-83639880 传真:0513-83639099