南通方圣石化设备有限公司主要开发生产VS系列静态混合器、喷射器、减温器,VJG系列精细过滤器、SB系列泵用过滤器,以及消声器、视镜、阻火器、呼吸阀等九大类。
   静态混合器
   加热设备系列
   动态混合设备
   过滤设备
   纸浆专用设备
   管用专用小型设备
   油罐附件系列
   煤气管道排水器
   1、单管式煤气管道冷凝水排水器
   2、双管式煤气管道冷凝水排水器
   3、LP防泄漏型煤气排水器
   4、防泄漏智能型煤气排水器
   5、SF焦化专用防泄漏型煤气排水器
   6、AP-III干式悬挂式排水器
   7、AP-IV干式落地式排水器
   8、MQPW煤气用系列水封器
   9、MQSF前逆止水封
   10、MQSF煤气管道检修用水封
   11、MLP离心式鼓风机排水器
 

 南通方圣石化设备有限公司
 地址:启东市汇龙镇台角工业园区
 邮编:226200
 电话:0513-83639880
 传真:0513-83639099
 在线咨询:
 微信:15851380122
 微信:15365547782
 http://www.ntfssh.com
 E-mail:fs@ntfssh.com

产品介绍 首页 >> 产品介绍
SF型焦化专用防泄漏型煤气排水器
一、产品简介
  S F型焦化专用防泄漏型煤气排水器是最新开发的新型煤气排水设备。本设备将传统敞开式排水设计成密闭排水,从而将焦化系统原敞口的异味源全部密封起来。另外,本设备可同时将多点排放,集中到一块,进一步减少异味源数量,避免大气污染,有利于保护周围环境,保障职工的生命安全。
  焦炉煤气因其含杂量大,同时由于其中的焦油为高黏性物质,所以在此类防泄漏型煤气排水器上设有氨水和蒸汽吹刷口,底部设有排污阀,定期将污物排除。
二、产品分类
  SF型焦化专用防泄漏型煤气排水器分为两种,即正压水封和负压水封。
  在煤气排送装置的煤气间冷器及煤气鼓风机等设备前的负压管道上采用负压水封,排除冷凝水。
  在煤气排送装置的正压管道上采用正压水封。
三、型号标注
四、产品技术参数
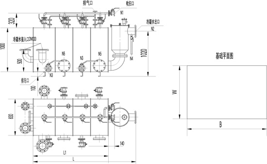
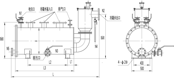
图一、正压水封图
表一、正压排水器外形尺寸
 
图二、负压水封图
表二、负压排水器外形尺寸
  注:D按接管规格作相应的调整
五、订货须知
  1、用户应提供所有接入排水器的煤气管道的最高及最低工作压力或水封高度。
  2、冷凝水入口管管径、数量、接管法兰连接标准。
  3、 架空煤气管道底部离地面高度。
  4、设备的材质、壳体外是否需保温等。
 
南通方圣石化设备有限公司 地址:启东市汇龙镇台角工业园区 邮编:226200 混合器|汽水混合器
电话:0513-83639880 传真:0513-83639099
点击这里给我发消息