南通方圣石化设备有限公司主要开发生产VS系列静态混合器、喷射器、减温器,VJG系列精细过滤器、SB系列泵用过滤器,以及消声器、视镜、阻火器、呼吸阀等九大类。
   静态混合器
   加热设备系列
   动态混合设备
   过滤设备
   纸浆专用设备
   管用专用小型设备
   油罐附件系列
   煤气管道排水器
   1、单管式煤气管道冷凝水排水器
   2、双管式煤气管道冷凝水排水器
   3、LP防泄漏型煤气排水器
   4、防泄漏智能型煤气排水器
   5、SF焦化专用防泄漏型煤气排水器
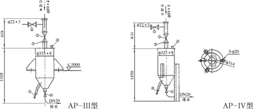
   6、AP-III干式悬挂式排水器
   7、AP-IV干式落地式排水器
   8、MQPW煤气用系列水封器
   9、MQSF前逆止水封
   10、MQSF煤气管道检修用水封
   11、MLP离心式鼓风机排水器
 

 南通方圣石化设备有限公司
 地址:启东市汇龙镇台角工业园区
 邮编:226200
 电话:0513-83639880
 传真:0513-83639099
 在线咨询:
 微信:15851380122
 微信:15365547782
 http://www.ntfssh.com
 E-mail:fs@ntfssh.com

产品介绍 首页 >> 产品介绍
AP-Ⅳ型干式落地式排水器

   本设备除安装方式与AP-Ⅲ型不同外,其余使用方式都相同。
 
南通方圣石化设备有限公司 地址:启东市汇龙镇台角工业园区 邮编:226200 混合器|汽水混合器
电话:0513-83639880 传真:0513-83639099
点击这里给我发消息