南通方圣石化设备有限公司主要开发生产S系列静态混合器、喷射器、减温器,VJG系列精细过滤器、SB系列泵用过滤器,以及消声器、视镜、阻火器、呼吸阀等九大类。
   静态混合器
   蒸汽加热设备系列
   动态混合设备
   过滤设备
   纸浆专用设备
   管用专用小型设备
   一、高炉消声器
   1、GMX高炉煤气减压阀消声器
   2、GLX高炉冷风放风阀消声器
   3、GJX高炉均压放散阀消声器
   4、GGX高炉鼓风机放风阀消声器
   5、SFX烧结机主轴风机出口消声器
   6、CWX烧结除尘风机消声器
   7、SLX烧结冷却风机进口消器
   8、ZFX助燃风机配用消声器
   9、JCX焦化除尘风机消声器
   二、风机配套消声器
   1、LK高中压离心风机消声器
   2、QX、QH高压离心通风机消声器
   3、ZDL中低压离心风机消声器
   4、PA盘式消声器
   5、CZ轴流风机消声器
   6、LFX罗茨风机配用消声器
   7、TJX、TYX通风机配套消声器
   三、气体放散类
   1、KAP压缩空气排放消声器
   2、AP压缩空气放散消声器
   3、KOGP高压氧气放散消声器
   4、OGP高压氧气放散消声器
   5、KODP低压氧气放散消声器
   6、ODP低压氧气放散消声器
   7、KNP氮气放散消声器
   8、KHP不锈钢扩散缓冲放空消声器
   9、ZX蒸汽、空气放空消声器
   10、SP蒸汽排放消声器
   11、KX锅炉排气小孔消声器
   四、隔 声 罩
   1、GS可拆式隔声罩
   订 货 须 知
   五、阻火器
   六、采 样 器
   1、JCXL在线式采样器
   2、JCXM密闭式采样器
   3、JCXW取样冷却器
   4、JCXG罐下采样器
   七、蒸汽分水器
   八、乏气分油器
   九、SZT自动脱水器
   十、视镜
   十一、安全喷淋洗眼器
   1、XYQ-PⅠ普通复合式喷淋洗眼器
   2、XYQ-PⅡ型普通洗眼器
   3、脚踏防冻复合式喷淋洗眼器
   4、XYQ-FⅡ型脚踏防冻洗眼器
   5、XYQ-FⅢ型手动防冻喷淋器
   6、XYQ-FⅣ型手动防冻洗眼器
   7、电伴热防冻复合式喷淋洗眼器
   油罐附件系列
   煤气管道排水器
 

 南通方圣石化设备有限公司
 地址:启东市汇龙镇台角工业园区
 邮编:226200
 电话:0513-83639880
 传真:0513-83639099
 在线咨询:
 微信:15851380122
 微信:15365547782
 http://www.ntfssh.com
 E-mail:fs@ntfssh.com

产品介绍 首页 >> 产品介绍
JCXM密闭式采样器
  JCXM型密闭式采样器,主要由箱体、采样瓶、缓冲罐、快换手轮、压力表、阀门、密封件及法兰组成。
一、结构特点
  由于采样瓶与工艺管之间用带有快换手轮连接,因此,操作简单、迅速、方便。
二、技术参数适用范围
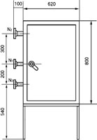
  (1) JCXM-IA型液体密闭式采样器
  适用范围:适用于各种有毒、有害、易燃、易爆等各种液体介质的采样。
  技术参数:采样温度:-20~60℃,设计压力:0~10.0MPa,采样量:100ml
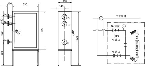
注:N1、N2、N3管口为DN15 PN1.6~ 0.0
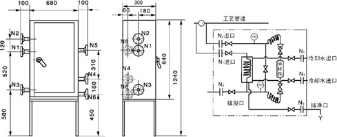
  (2) JCXM-IB型液体密闭式采样器
  适用范围:适用于种种有毒、有害、易燃、易爆等各种液体介质的采样。
  技术参数:采样温度:-20~400℃,设计压力:0~10.0MPa,采样量:100ml

注:N1、N2、N3管口为DN15 PN1.6~10.0  N4、N5、N6管口为DN20 PN1.6

  (3) JCXM-IIA型气体密闭式采样器
  适用范围:适用于各种有毒、有害、易燃、易爆等各种气体介质的采样。
  技术参数:使用温度:-20~50℃,设计压力:0~10.0MPa,采样量:200ml~500ml
注:N1、N2、N3、N4管口为DN15 PN1.6~10.0
  (4) JCXM-IIB型气体密闭式采样器
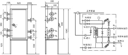
  适用范围:适用于种种有毒、有害、易燃、易爆等各种气体介质的采样。
  技术参数:采样温度:-20~400℃,设计压力:0~10.0MPa,采样量:200ml~500ml
注:N1、N2、N3、N4管口为DN15 PN1.6~10.0 N5、N6、N7管口为DN20 PN1.6
三、订货须知
  1、订货时请详细注明采样器型号、介质名称、压力和温度。
  2、请注明连接面法兰标准。
 
南通方圣石化设备有限公司 地址:启东市汇龙镇台角工业园区 邮编:226200 混合器|汽水混合器
电话:0513-83639880 传真:0513-83639099